JIC 37° Male to JIS 30° Flare Female
Introduction
Material
Stainless Steel / Brass / Carbon Steel / Titanium
Finish Treatment
Nickel Plated / Zinc Plated
Description


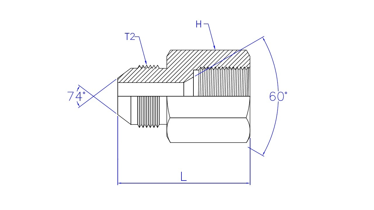
| JIC 37° Male to JIS 30° Flare Female Specsheet | ||||
|---|---|---|---|---|
| Part No. | T1 - JIC 37° Male | T2 - JIS 30° Female | L (Length) | HEX (Width) |
| JP04M04F | 7 / 16 – 20 | 1 / 4 – 19 | 31.9 | 19 |
| JP06M04F | 9 / 16 – 18 | 1 / 4 – 19 | 33.3 | 22 |
| JP06M06F | 9 / 16 – 18 | 3 / 8 – 19 | 36.3 | 24 |
| JP08M06F | 3 / 4 – 16 | 3 / 8 – 19 | 35.8 | 24 |
| JP08M08F | 3 / 4 – 16 | 1 / 2 – 14 | 43.2 | 27 |
| JP10M10F | 7 / 8 – 14 | 5 / 8 – 14 | 44.7 | 32 |
| JP12M12F | 1-1/16 – 12 | 3 / 4 – 14 | 52.1 | 35 |
| JP16M16F | 1-5/16 – 12 | 1 – 11 | 53.3 | 41 |
| JP20M20F | 1-5/8 – 12 | 1-1/4 – 11 | 53 | 51 |
*Spec, Hex & Length are able to be customized.
*Short Bushing is able to be customized.
| Male to Female | ||||
|---|---|---|---|---|
| 1 - T1 | 2 - T2 | 3+4+M | 6+7+F | 9+10 |
| MaleThread | Female Thread | T1 Dash Size | T2 Dash Size | Material |
| J-JIC 37° | R-BSPT | 02 to 20 | 02 to 20 | SS-Stainless Steel |
| BR-Brass | ||||
| BN-Brass (Nickel Plated) | ||||
| ST-Carbon Steel | ||||
| SZ-Carbon Steel (Zinc Plated) | ||||
| SN-Carbon Steel (Nickel Plated) | ||||
| TI-Titanium | ||||
Example
BSPP Male to Female Extented Stainless - GG04M04FSS
JIC Male to NPT Female Carbon Steel - JN02M04FST
| JIC 37° | ||||
|---|---|---|---|---|
| Dash Size | Inch Size | Nominal Thread Size | Male Thread O.D. | Female Thread I.D. |
| -2 | 1/8" | 5 / 16 – 24 | 5/16 (0.31") | 9/32 (0.27") |
| -3 | 3/16" | 3 / 8 – 24 | 3/8 (0.38") | 11/32 (0.34") |
| -4 | 1/4" | 7 / 16 – 20 | 7/16 (0.44") | 13/32 (0.39") |
| -5 | 5/16" | 1 / 2 – 20 | 1/2 (0.50") | 15/32 (0.45") |
| -6 | 3/8" | 9 / 16 – 18 | 9/16 (0.56") | 17/32 (0.51") |
| -8 | 1/2" | 3 / 4 – 16 | 3/4 (0.75") | 11/16 (0.69") |
| -10 | 5/8" | 7 / 8 – 14 | 7/8 (0.88") | 13/16 (0.81") |
| -12 | 3/4" | 1-1/16 – 12 | 1-1/16 (1.06") | 1 (0.98") |
| -14 | 7/8" | 1-3/16 – 12 | 1-3/16 (1.19") | 1-1/8 (1.10") |
| -16 | 1" | 1-5/16 – 12 | 1-5/16 (1.31") | 1-1/4 (1.23") |
| -20 | 1-1/4" | 1-5/8 – 12 | 1-5/8 (1.63") | 1-9/16 (1.54") |
| JIS 30° Flare | ||||
|---|---|---|---|---|
| Dash Size | Inch Size | Nominal Thread Size | Male Thread O.D. | Female Thread I.D. |
| -2 | 1/8" | 1 / 8 – 28 | 3/8 (0.38") | 11/32 (0.35") |
| -4 | 1/4" | 1 / 4 – 19 | 33/64 (0.52") | 15/32 (0.47") |
| -6 | 3/8" | 3 / 8 – 19 | 21/32 (0.65") | 19/32 (0.60") |
| -8 | 1/2" | 1 / 2 – 14 | 13/16 (0.82") | 3/4 (0.75") |
| -10 | 5/8" | 5 / 8 – 14 | 7/8 (0.88") | 13/16 (0.80") |
| -12 | 3/4" | 3 / 4 – 14 | 1-1/32 (1.04") | 31/32 (0.97") |
| -16 | 1" | 1 – 11 | 1-5/16 (1.30") | 1-7/32 (1.22") |
| -20 | 1-1/4" | 1-1/4 – 11 | 1-21/32 (1.65") | 1-9/16 (1.56") |